W66利来国际(中国区)股份有限公司W66利来国际

  • 产品详情
  • 技术参数
  • 安装示意
  • 视频
    顶侧双吸|23m³/min大吸力|挥手智控

    CXW-260-5T15L

    顶侧双净吸 锁住油烟无逃逸
    ¥3600

    产品详情

    尺寸参数



    注:

    1.所示半消声室噪声值为A计权声功率级,所示工作噪声值为A计权声压级。

    2.工作风量、爆炒风量、最大静压的实测值与明示值的允差不应超过明示值的-10%。
    3.半消声室噪声、工作噪声均为最高转速档下测试所得。

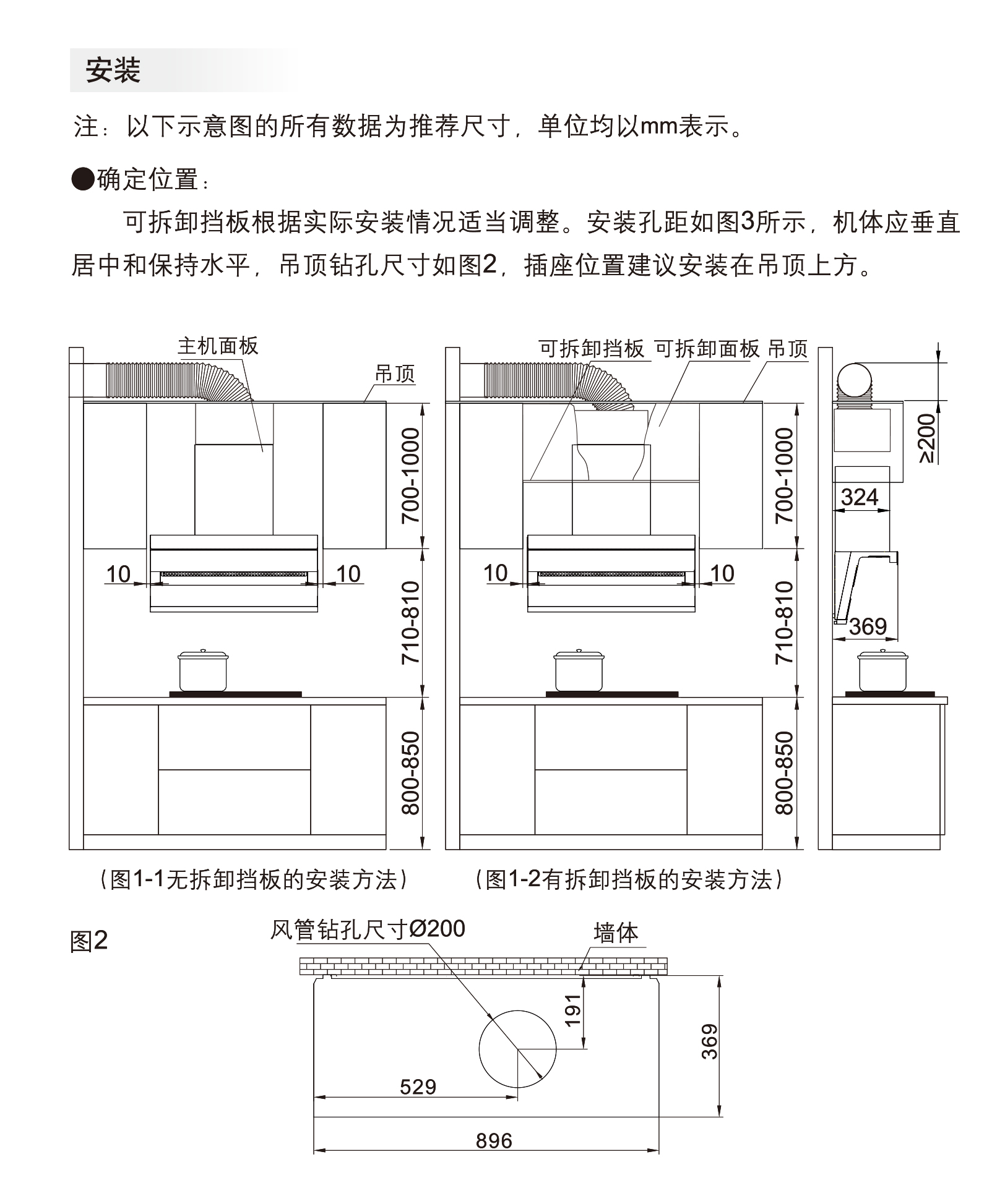
    安装图解

    W66利来国际(中国区)股份有限公司
    W66利来国际